○川本町営住宅設置管理条例施行規則
平成10年3月31日
規則第5号
川本町営住宅管理条例施行規則(昭和34年川本町規則第1号)の全部を改正する。
(目的)
第1条 この規則は、川本町営住宅設置管理条例(平成9年条例第57号。以下「条例」という。)第59条の規定に基づき、条例の施行に関して必要な事項を定めることを目的とする。
2 町長は、入居資格の調査上必要がある場合においては、申込者に対し必要と認める書類等の提示を求め、又は提出させることがある。
(請書)
第3条 条例第11条第1項第1号(条例第54条において準用する場合を含む。)の規定による請書は、様式第3号のとおりとする。
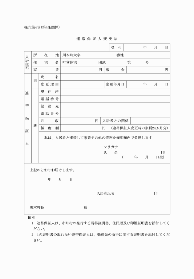
(連帯保証人の変更届)
第4条 入居者は、連帯保証人が欠け、又は保証能力がなくなったときは、直ちに連帯保証人を補充し、様式第4号の連帯保証人変更届を提出しなければならない。
(利便性に係る数値の決定)
第6条 町長は、条例第14条第2項の規定により数値を定めたときは、当該数値を公示する。
2 町長は、前項の承認をするときは、その実状を参酌して減免の額及び期間又は徴収猶予の期間を定める。ただし、家賃の徴収猶予の期間は、6月を超えることができない。
(滅失等の届出等)
第9条 入居者は、当該町営住宅又は共同施設を滅失し、又はき損したときは、様式第10号の町営住宅滅失(き損)届によってその状況を届け出なければならない。
(他用途併用の承認願)
第10条 条例第27条ただし書(条例第46条又は第54条において準用する場合を含む。)の規定による他の用途への併用の承認を受けようとする者は、様式第11号の町営住宅他用途併用承認願を提出しなければならない。
(模様替等の承認願)
第11条 条例第28条ただし書(条例第46条又は第54条において準用する場合を含む。)の規定による模様替又は増築の承認を受けようとする者は、様式第12号の町営住宅模様替(増築)承認願を提出しなければならない。
(入居者選考委員会)
第18条 入居者の選考に関する町長の諮問に応ずるため、入居者選考委員会(以下「委員会」という。)を置く。
2 委員会は、委員長及び委員若干名をもって組織する。
3 委員長は、委員の互選によって定める。
4 委員は、学識経験を有するもののうちから町長が委嘱する。
5 委員の任期は、2年とする。
(住宅管理人)
第19条 条例第55条第3項に規定する住宅管理人(以下「管理人」という。)は、入居者のうちから委嘱する。
2 管理人は、別に定めるところによりその職務を遂行しなければならない。
附則
(施行期日)
この規則は、平成10年4月1日から施行する。
附則(令和2年4月1日規則第25号)
この規則は、公布の日から施行する。





















